maxx ice machine parts
Maxx Ice Ice Machine Parts Tundra Restaurant Supply
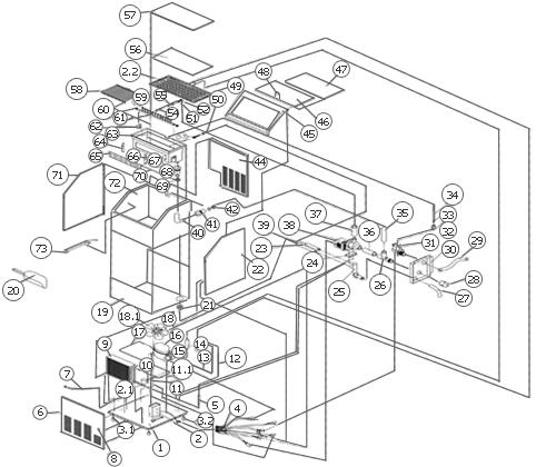
Maxx Ice Mim450 Parts Manuals Parts Town
Maxx Ice Ice Machine Parts Tundra Restaurant Supply
Maxx Ice Ice Machine Parts Tundra Restaurant Supply
Maxx Ice Mib400 Parts Manuals Parts Town
Maxx Ice Freestanding Undercounter Ice Maker 75 Lb Stainless Steel Mim75 Rona
Maxxice Mim250 Ice Machine Parts Fixice Com
Mmar25w Compact Marine Ice Machine Boat Or Rv Ice Making Machine W Maxx Ice
Maxx Ice Mim 50 Service Manual Pdf Download Manualslib
Maxx Ice Machine Parts Accessories Webstaurantstore
Maxx Ice 1858900900 Water Pump
Maxx Ice Ice Machine Parts Tundra Restaurant Supply
Maxxice Mim100 Ice Machine Parts Fixice Com
Amazon Com Maxx Ice 1871018500 Bin Microswitch For Mim45 Industrial Scientific
Maxx Ice 1858451200 Compressor Overload Parts Town



